 
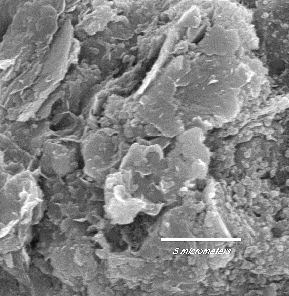
Clay Sediments
 
 
At high magnification in a scanning electron microscope the small clay-sized particles have a flakey appearance. The scale bar indicates 5 micrometers or 0.005 mm. Clay particles in sediments are most commonly produced by the weathering of primary minerals in other types of rocks. In sediments they are indicative of deposition from slow-moving streams or quiet, still water in swamps.
 
